I also have the coolcat, its good.
Never had any problems with the original, just that the paper filters had to be imported. Also I was dubious about the QC of the aftermarket cartridges now available.
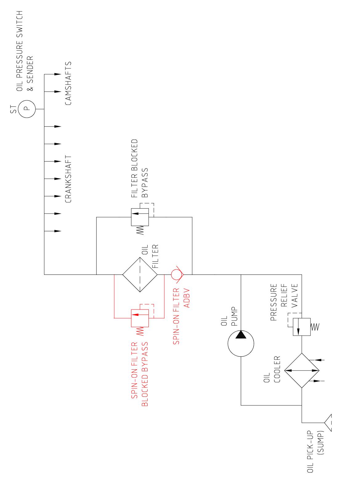
Most spin-on filters incorporate blocked filter bypass and anti drain back valves. Paper cartridges don't have these, instead these functions are designed into the filter housing, makes cartridge systems more expensive for the car manuf'r. However I read somewhere, paper cartridges are making a comeback as we become more environmentally conscious.
When you retrofit a Coolcat spin-on filter conversion, you end up with duplicate blocked filter bypasses, the one in the spin-on filter as well as the original that is designed into the oem filter housing. I.e as per this diag.

- oil diag 2.jpg (91.07 KiB) Viewed 7792 times
There is not duplicate ADBV's because the there was never one originally, not required because the filter is the lowest part of the oil system...
Even though the oem blocked filter bypass is duplicated, you still need it. If the PO has removed it, leaving just a hole, all oil will go via this hole, nothing will go via the filter. Here is pic of the blocked filter bypass, this pic is from the Coolcat installation instructions.

- filter bypass valve.jpg (56.93 KiB) Viewed 7792 times
If the valve is missing, imo the least you should do is block the hole and rely on the bypass that is built into the spin-on filter.